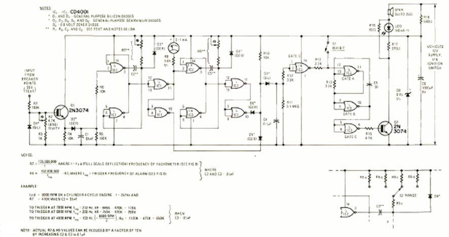
Encontramos este circuito en una Radio Electrónica de octubre de 1976. Los componentes siguen siendo comunes, pero el circuito se aplica a modelos de automóviles antiguos con encendido mecánico.
Cuando alguien que ingresa a una ubicación abre uno de los sensores conectados a la puerta SOR, el...
¿Qué tal montar un intercomunicador secreto para conversar con su hermano, vecino o compañero sin que...
Este circuito detecta cuando la temperatura de un congelador, mostrador frigorífico o incluso un...