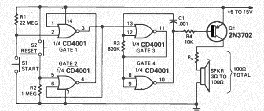
Este circuito de alarma se activa cuando se abre S1. El circuito de una revista Radio Electronics de enero de 1975 se puede utilizar con sensores de interrupción conectados en serie.
Es un circuito simple que se puede conectar a la salida de cualquier aparato de sonido para hacer...
Con el circuito mostrado se puede controlar lo accionamiento de tres LEDs, colocados en un panel...
Este circuito es de una documentación técnica antigua de España. El circuito utiliza un FET que...