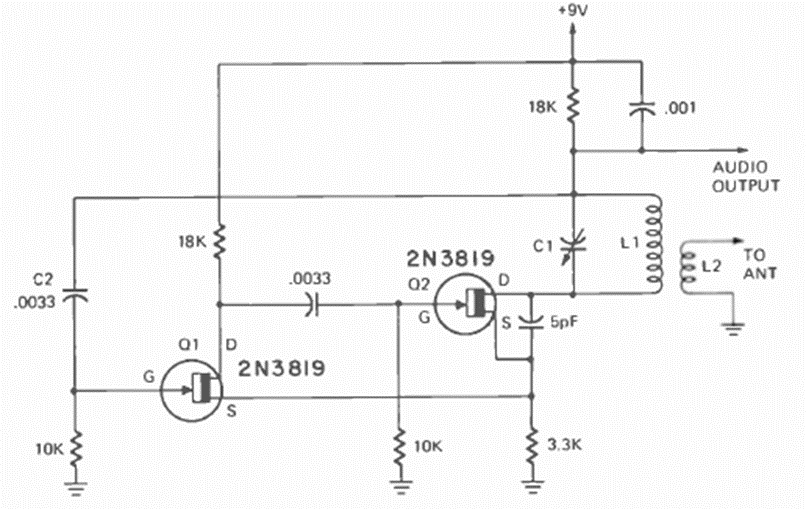
Este circuito con una configuración inusual fue encontrado en la revista Radio Electronics de enero de 1974. La frecuencia viene dada por L1/C1 y los transistores aceptan equivalentes.
Cuando alguien que ingresa a una ubicación abre uno de los sensores conectados a la puerta SOR, el...
¿Qué tal montar un intercomunicador secreto para conversar con su hermano, vecino o compañero sin que...
Este circuito detecta cuando la temperatura de un congelador, mostrador frigorífico o incluso un...