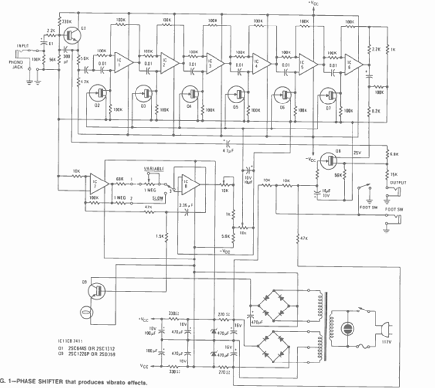
El propósito de este circuito que se encuentra en la revista Radio Electronics de septiembre de 1977 es producir el efecto vibrato. Es un circuito de cambio de fase que funciona con operativa común.
Se presenta una prueba simple de transistores NPN y PNP que, además de decir si el componente está bien,...
Si usted necesita un circuito para producir un tono continuo en un bocadillo o cápsula...
Cuando un pulso de luz incide en el LDR, este circuito dispara un temporizador monoestable 555 que acciona...