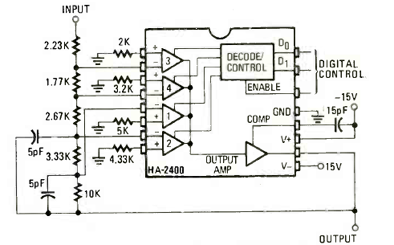
Este circuito con el HA2400 se encontró en la revista Radio Electronics de marzo de 1980. El circuito tiene un control de ganancia digital y debe ser alimentado por una fuente simétrica de 15 V.
Este mezclador pasivo tiene una configuración que no siempre lleva a buenos resultados por el uso de...
Podemos utilizar este amplificador con auriculares de baja impedancia con buen rendimiento. Las...
Este circuito se encontró en documentación antigua, que aparece en otra parte de esta sección,...