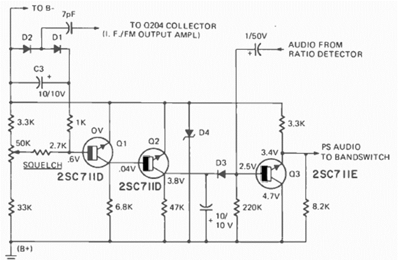
Este circuito para receptores de comunicaciones fue encontrado en la revista Radio Electronics de enero de 1974. Los transistores son del tipo japonés de la época, pues el circuito formaba parte de equipos de tal origen.
Este timbre de tres tonos puede ser ampliado para más sonidos y hasta convertirse en un pequeño órgano...
Con este circuito es posible utilizar un LED común como foto-sensor para radiación modulada, en un enlace...
Usted puede fácilmente tener iluminación fluorescente en su mesa de trabajo com un circuito que...