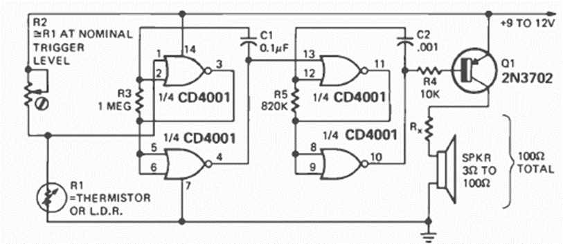
Este circuito se encontró en la revista Radio Electronics de enero de 1975. El circuito está basado en el 4001 y tiene un paso de potencia que se puede cambiar según sugerencias de circuitos anteriores de esta serie 4001.
Con la configuración de la figura 1 es posible aumentar la corriente de salida de una fuente con...
Si usted tiene un equipo portátil que opera con 6 V y desea utilizarlo en el coche o conectarlo a una...
El circuito mostrado en la figura 1 es una protección del tipo "Crow Bar" en la que el disparo...