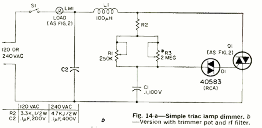
Otro circuito de atenuación. Este atenuador para lámparas incandescentes se encontró en la revista Radio Electronics de julio de 1970. El triac debe estar equipado con un disipador de calor y su corriente debe controlarse según la carga.
Con la configuración de la figura 1 es posible aumentar la corriente de salida de una fuente con...
Si usted tiene un equipo portátil que opera con 6 V y desea utilizarlo en el coche o conectarlo a una...
El circuito mostrado en la figura 1 es una protección del tipo "Crow Bar" en la que el disparo...