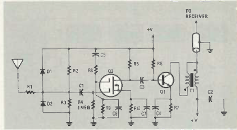
Aunque utiliza un FET de doble canal, que es difícil de encontrar hoy en día, este circuito fue lanzado en Radio Electronics en abril de 1986. Sirve como amplificador de señal para una amplia gama de frecuencias.
En el circuito de la figura tenemos una aplicación de un transistor como oscilador. Para ello,...
La acción rápida de conmutación del 4093 ayuda a obtener un circuito de interruptor nocturno que no se...
La frecuencia de este oscilador depende de los capacitores y valores típicos para los resistores son...