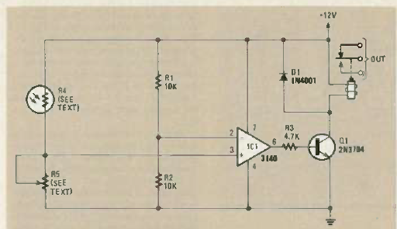
Este circuito activa el relé cuando la temperatura excede el valor establecido en el trimpot. El circuito es de Radio Electronics de junio de 1986. El sensor es un NTC y el valor de ajuste depende de este componente.
Es un interesante proyecto para ferias de ciencias o aún como base para un trabajo escolar, o aún...
Este diseño diferente utiliza una bobina enrollada en un clavo para generar señales en la faja de...
Este circuito está indicado para demostraciones del principio de funcionamiento de un flip-flop R-S...