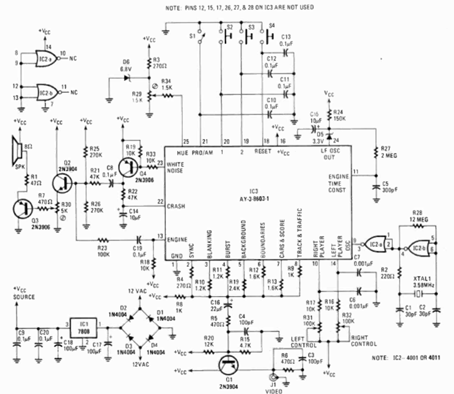
Este es el circuito tradicional del videojuego de carreras de 1980 con el AY3-6603-1 que también publicamos en su momento en nuestras revistas. Este circuito es de la revista Radio Electronics de agosto de 1980.
Con la configuración de la figura 1 es posible aumentar la corriente de salida de una fuente con...
Si usted tiene un equipo portátil que opera con 6 V y desea utilizarlo en el coche o conectarlo a una...
El circuito mostrado en la figura 1 es una protección del tipo "Crow Bar" en la que el disparo...