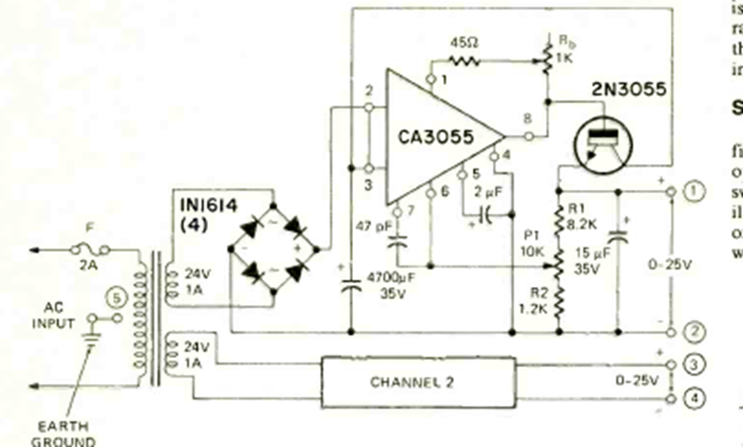
Este circuito fue encontrado en una revista de Radio Electrónica de noviembre de 1972. El circuito es basado en uno integrado de la época y la corriente es de 1 A y se ajusta en un potenciómetro.
El anemómetro es un instrumento usado en la medida de la velocidad del viento. El anemómetro que...
El circuito mostrado en la figura 1 modula un haz de luz emitido por un LED (visible o infrarrojo) a...
Este circuito se puede utilizar en el coche, para mantener la luz de cortesía encendida después de la...