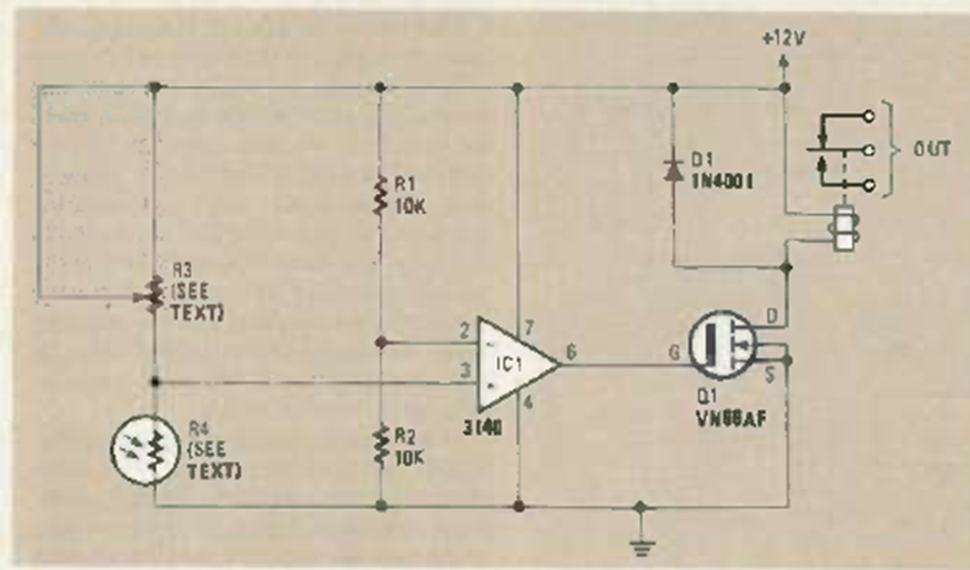
A diferencia del circuito anterior, este se activa cuando la temperatura desciende por debajo del valor establecido. El circuito es de la revista Radio Electronics de junio de 1986.
Este es un simple montaje didáctico que se puede realizar sobre la base de un puente de terminales o...
Si usted tiene miedo de conectar los aparatos que usted mismo monta directamente en la toma, pues...
Este oscilador puede generar señales de 100 kHz hasta más de 50 MHz dependiendo del cristal usado y del...