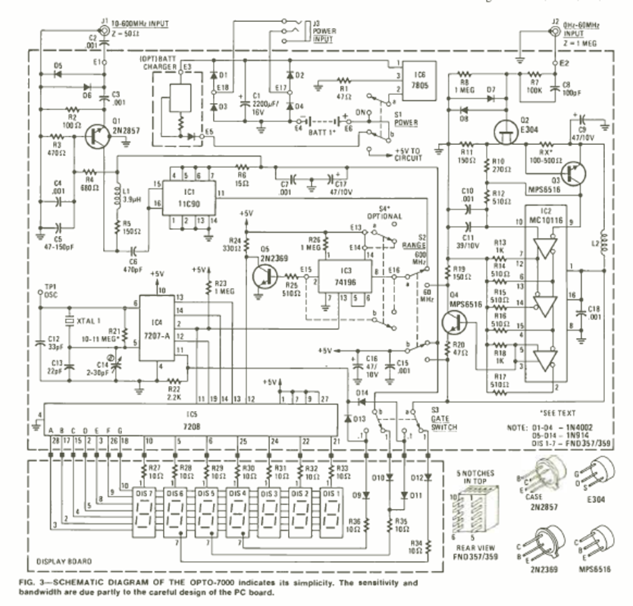
Encontramos este circuito en la revista Radio Electronics de enero de 1979. Los componentes siguen siendo comunes hoy en día, destacando el excitador 7106 en los displays.
Con este aparato usted puede investigar fuentes de luz moduladas o hasta usar una luz fluorescente...
Este pequeño radio para la banda AM utiliza cuatro transistores con un amplificador complementario para...
Una lámpara fluorescente en la bancada ayuda a ver mucho mejor los detalles de sus montajes, leer...