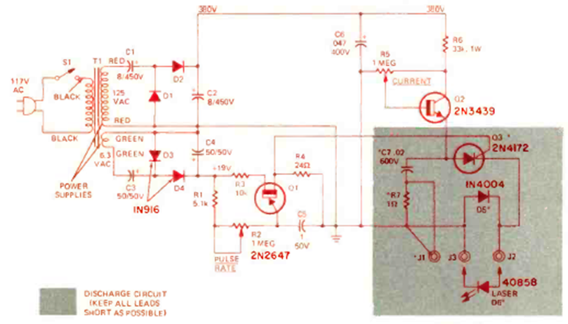
Este es uno de los primeros proyectos de láser de estado sólido. Lo encontramos en la revista Radio Electronics de junio de 1972. El circuito incluye la fuente de alimentación y el artículo describe varios experimentos.
Con este aparato usted puede investigar fuentes de luz moduladas o hasta usar una luz fluorescente...
Este pequeño radio para la banda AM utiliza cuatro transistores con un amplificador complementario para...
Una lámpara fluorescente en la bancada ayuda a ver mucho mejor los detalles de sus montajes, leer...