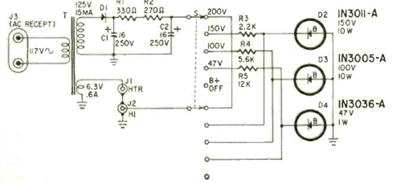
Este circuito se obtuvo de la revista Radio Electronics en julio de 1970. Los Zerners son tipos de potencia que pueden suministrar una buena corriente al circuito. La selección se realiza mediante interruptor rotativo.
Con este aparato usted puede investigar fuentes de luz moduladas o hasta usar una luz fluorescente...
Este pequeño radio para la banda AM utiliza cuatro transistores con un amplificador complementario para...
Una lámpara fluorescente en la bancada ayuda a ver mucho mejor los detalles de sus montajes, leer...