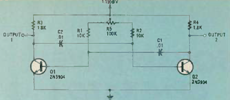
Este circuito común es de Radio Electronics de septiembre de 1984. Los transistores son de propósito general y la frecuencia la dan los condensadores.
Con este aparato usted puede investigar fuentes de luz moduladas o hasta usar una luz fluorescente...
Este pequeño radio para la banda AM utiliza cuatro transistores con un amplificador complementario para...
Una lámpara fluorescente en la bancada ayuda a ver mucho mejor los detalles de sus montajes, leer...