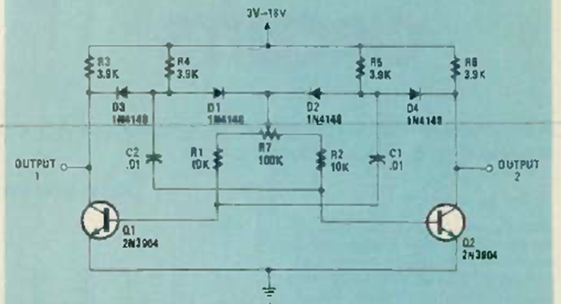
Este circuito fue encontrado en la revista Radio Electronics de septiembre de 1984. La frecuencia la dan los capacitores. Los diodos ayudan en el proceso de arranque.
En el circuito de la figura tenemos una aplicación de un transistor como oscilador. Para ello,...
La acción rápida de conmutación del 4093 ayuda a obtener un circuito de interruptor nocturno que no se...
La frecuencia de este oscilador depende de los capacitores y valores típicos para los resistores son...