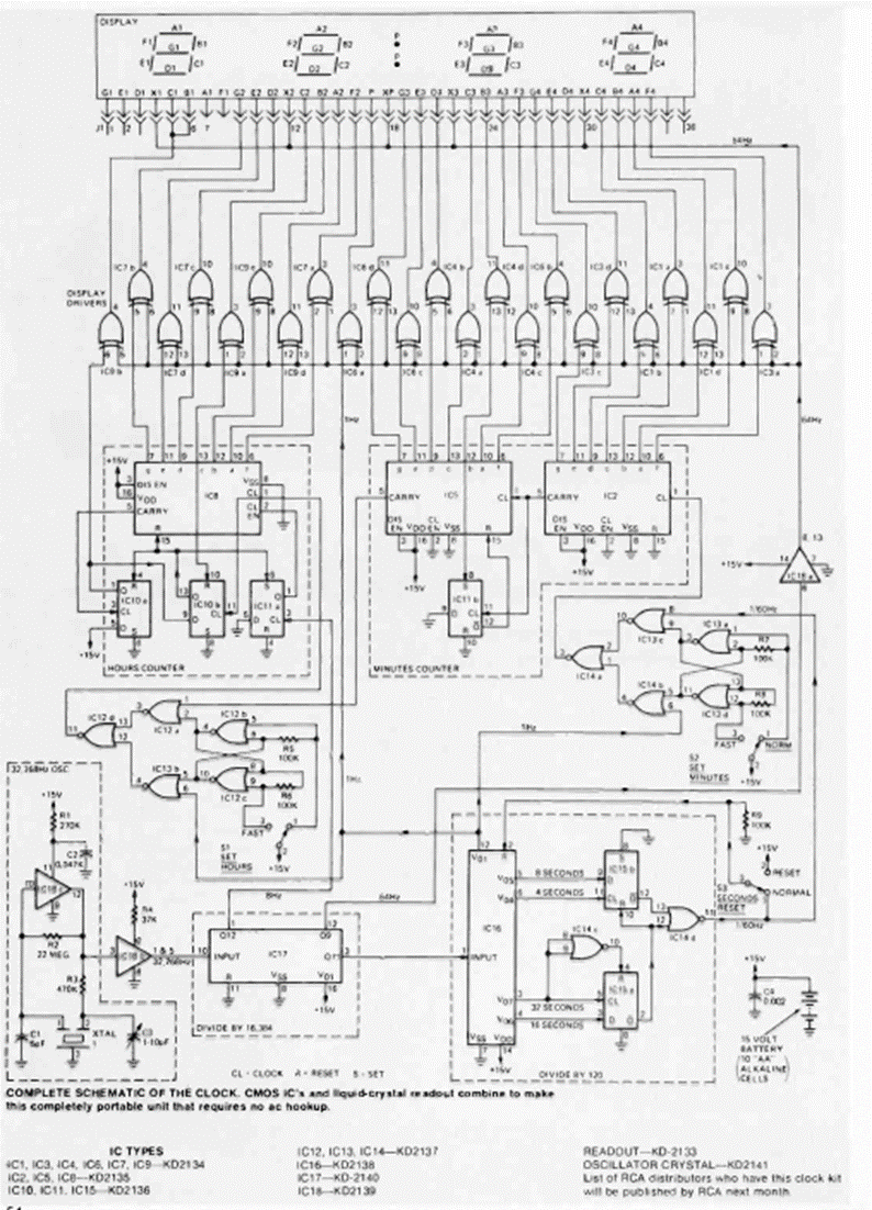
Este circuito basado en lógica CMOS se encontró en la revista Radio Electronics de abril de 1974. El circuito se basa en un display indicador de la época y tiene indicaciones de horas y minutos.
En el circuito de la figura tenemos una aplicación de un transistor como oscilador. Para ello,...
La acción rápida de conmutación del 4093 ayuda a obtener un circuito de interruptor nocturno que no se...
La frecuencia de este oscilador depende de los capacitores y valores típicos para los resistores son...