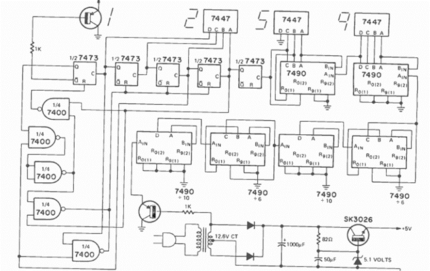
Este es un contador TTL típico de 3 dígitos y medio. Lo encontramos en la revista Radio Electronics de septiembre de 1973. El circuito debe alimentarse con 5 V. Se puede ampliar a más dígitos.
La prueba de componentes se puede hacer con facilidad con un instrumento denominado probador de...
Esta es la versión más simple que se puede construir de una luz rítmica con lámpara de neón. La...
Con el probador de continuidad simple y sensible que describimos es posible probar componentes básicos...