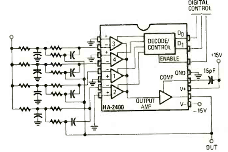
A través de control digital, este circuito activa los filtros de entrada que tienen las frecuencias seleccionadas por sus componentes. El circuito es de una Radio Electronics de marzo de 1980. El circuito integrado es el HA2400.
El oscilador de relajación con amplificador operacional mostrado en la figura 1 genera una señal de...
Describimos el montaje de un circuito de memoria que opera según el mismo principio de las...
Presione un botón (S1) y una aguja sin conexión eléctrica alguna se mueve misteriosamente. Este montaje, basado...