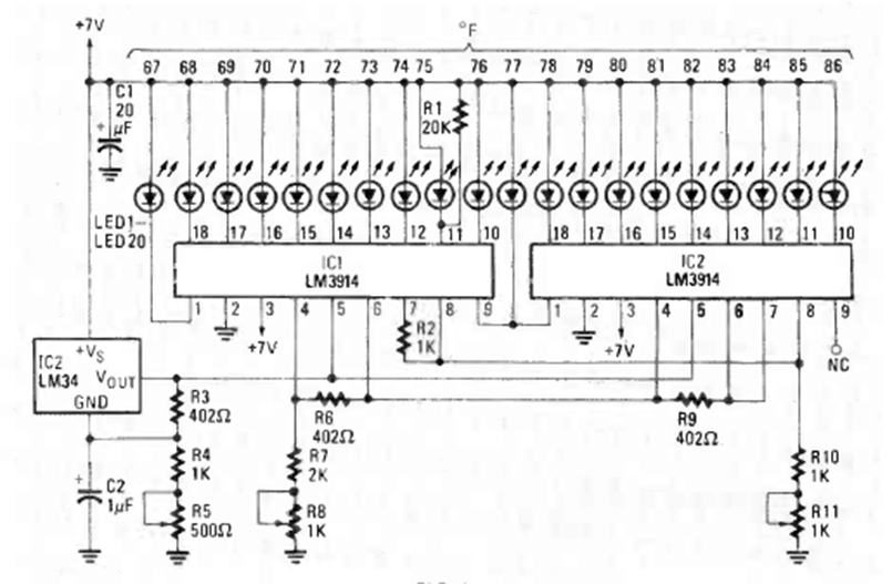
Este circuito de gráfico de barras fue encontrado en la revista Radio Electronics de enero de 1986. Está basado en el conocido LM3914 y tiene dos de ellos en cascada accionando un buen número de LED.
Con este aparato usted puede investigar fuentes de luz moduladas o hasta usar una luz fluorescente...
Este pequeño radio para la banda AM utiliza cuatro transistores con un amplificador complementario para...
Una lámpara fluorescente en la bancada ayuda a ver mucho mejor los detalles de sus montajes, leer...