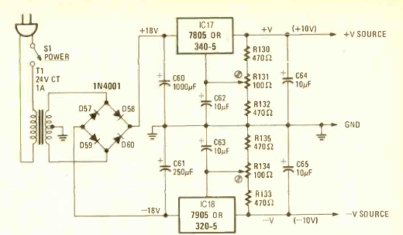
Este circuito fue encontrado en la revista Radio Electronics de marzo de 1979. Los circuitos integrados deben estar equipados con disipadores de calor. La corriente máxima es 1 A.
Con este aparato usted puede investigar fuentes de luz moduladas o hasta usar una luz fluorescente...
Este pequeño radio para la banda AM utiliza cuatro transistores con un amplificador complementario para...
Una lámpara fluorescente en la bancada ayuda a ver mucho mejor los detalles de sus montajes, leer...