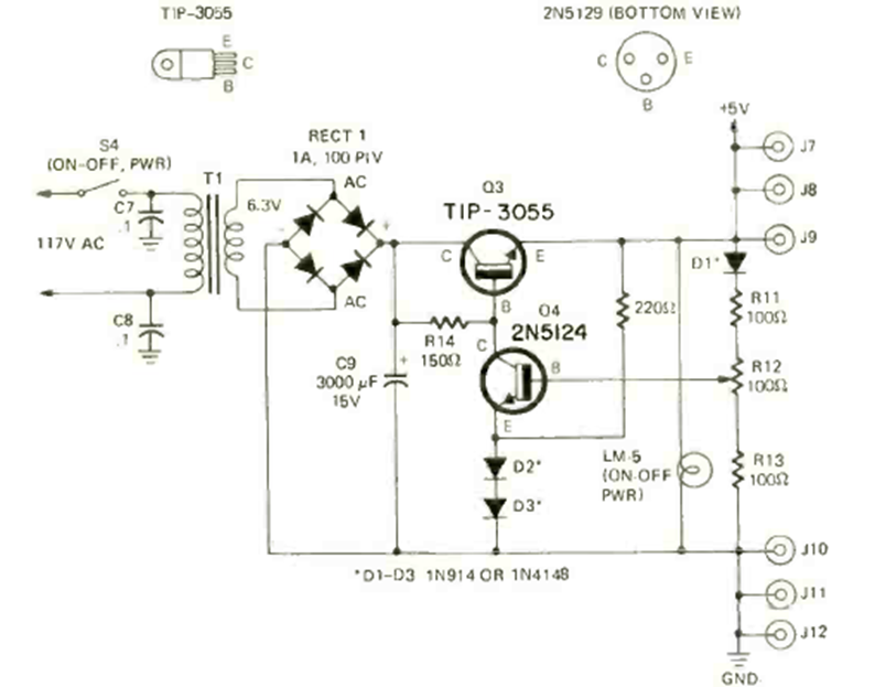
Encontramos este circuito fuente TTL en la revista Radio Electronics de diciembre de 1972. El circuito utiliza un transformador de 1 A y el transistor 2N3055 debe estar equipado con un buen disipador de calor.
Con este aparato usted puede investigar fuentes de luz moduladas o hasta usar una luz fluorescente...
Este pequeño radio para la banda AM utiliza cuatro transistores con un amplificador complementario para...
Una lámpara fluorescente en la bancada ayuda a ver mucho mejor los detalles de sus montajes, leer...