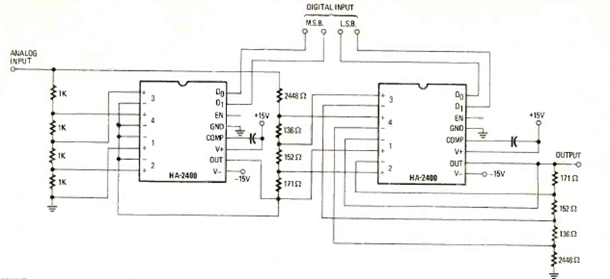
Este circuito convertidor de digital a analógico se encontró en la revista Radio Electronics de marzo de 1980. La fuente de alimentación debe ser simétrica y los controles digitales pueden ser TTL.
Con este aparato usted puede investigar fuentes de luz moduladas o hasta usar una luz fluorescente...
Este pequeño radio para la banda AM utiliza cuatro transistores con un amplificador complementario para...
Una lámpara fluorescente en la bancada ayuda a ver mucho mejor los detalles de sus montajes, leer...