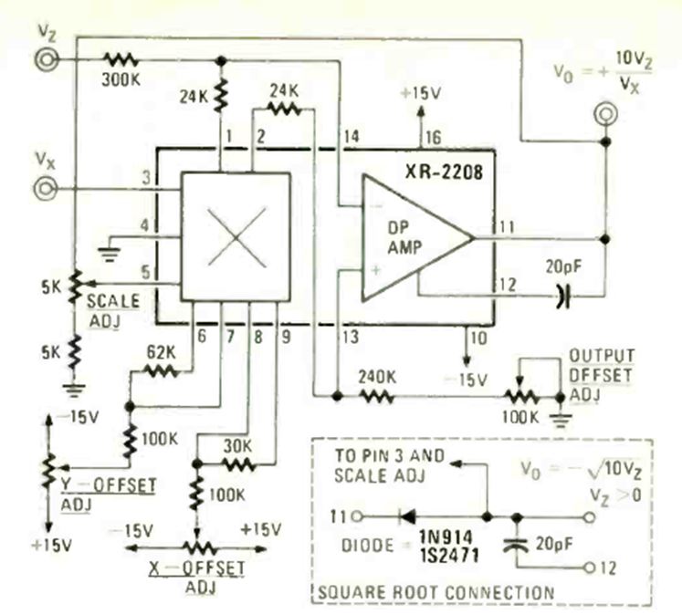
Este circuito divide el valor de una tensión por el valor de otro. El circuito utilizado en computación analógica se encontró en la revista Radio Electronics de abril de 1978. La fuente de alimentación debe ser simétrica.
Con este aparato usted puede investigar fuentes de luz moduladas o hasta usar una luz fluorescente...
Este pequeño radio para la banda AM utiliza cuatro transistores con un amplificador complementario para...
Una lámpara fluorescente en la bancada ayuda a ver mucho mejor los detalles de sus montajes, leer...