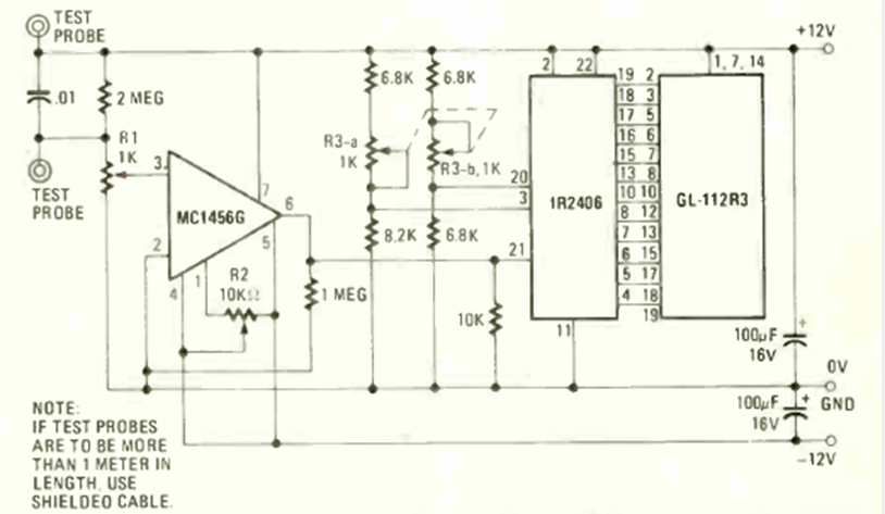
Encontramos este circuito en la revista Radio Electronics de octubre de 1979. Utiliza un indicador de gráfico de barras 7016, pero se pueden emplear otros equivalentes. R2 realiza el ajuste de compensación o nulo del amplificador operacional.
Con este aparato usted puede investigar fuentes de luz moduladas o hasta usar una luz fluorescente...
Este pequeño radio para la banda AM utiliza cuatro transistores con un amplificador complementario para...
Una lámpara fluorescente en la bancada ayuda a ver mucho mejor los detalles de sus montajes, leer...