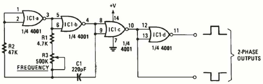
Esta es una configuración de oscilador común que genera señales rectangulares en oposición de fase. Este circuito es de una Radio Electronics de octubre de 1986.
Con este aparato usted puede investigar fuentes de luz moduladas o hasta usar una luz fluorescente...
Este pequeño radio para la banda AM utiliza cuatro transistores con un amplificador complementario para...
Una lámpara fluorescente en la bancada ayuda a ver mucho mejor los detalles de sus montajes, leer...