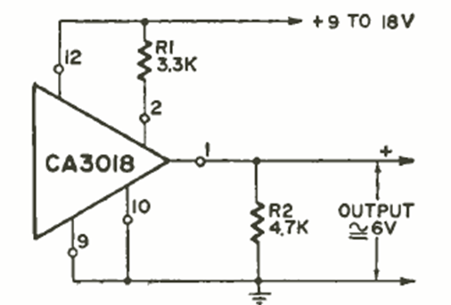
Este circuito lo encontramos en la revista Radio Elecronics de agosto de 1970. Utiliza el circuito integrado CA3018 lanzado en su momento por RCA. El pr interno Q3 y Q4 internos del CI funcionan como un zener.

Este circuito lo encontramos en la revista Radio Elecronics de agosto de 1970. Utiliza el circuito integrado CA3018 lanzado en su momento por RCA. El pr interno Q3 y Q4 internos del CI funcionan como un zener.
