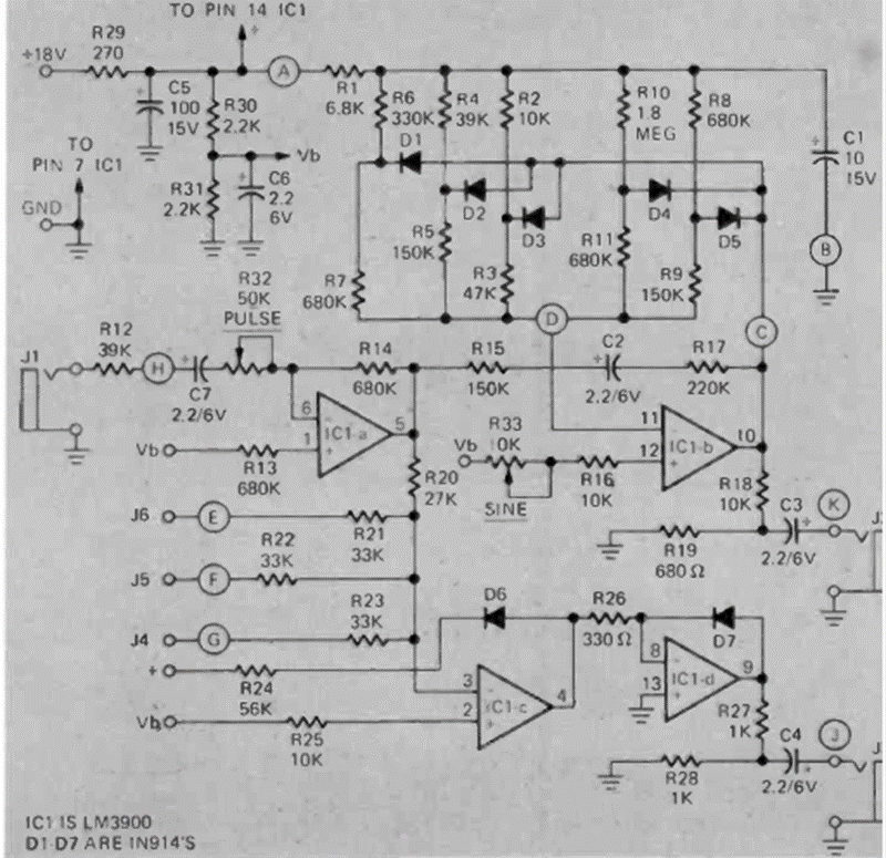
Este circuito para efectos musicales y sintetizadores se encontró en una radioelectrónica de junio de 1974. El circuito también consta de un modulador de ancho de pulso.
La frecuencia máxima de este oscilador, en el caso de 100 kHz, depende del funcionamiento utilizado. La...
Este circuito utiliza un resonador cerámico de 455 kHz u otra frecuencia para fijar su frecuencia de...
El proyecto presentado es interesante, pues permite la determinación de la velocidad de reacción de...