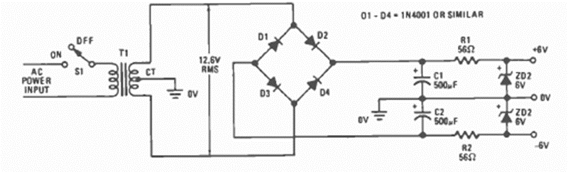
Este circuito lo encontramos en la revista Radio Electronics de mayo de 1977. La tensión del transformador es de 6+6 V y la corriente depende de los diodos zener, siendo del orden de 100 a 200 mA.
La frecuencia máxima de este oscilador, en el caso de 100 kHz, depende del funcionamiento utilizado. La...
Este circuito utiliza un resonador cerámico de 455 kHz u otra frecuencia para fijar su frecuencia de...
El proyecto presentado es interesante, pues permite la determinación de la velocidad de reacción de...