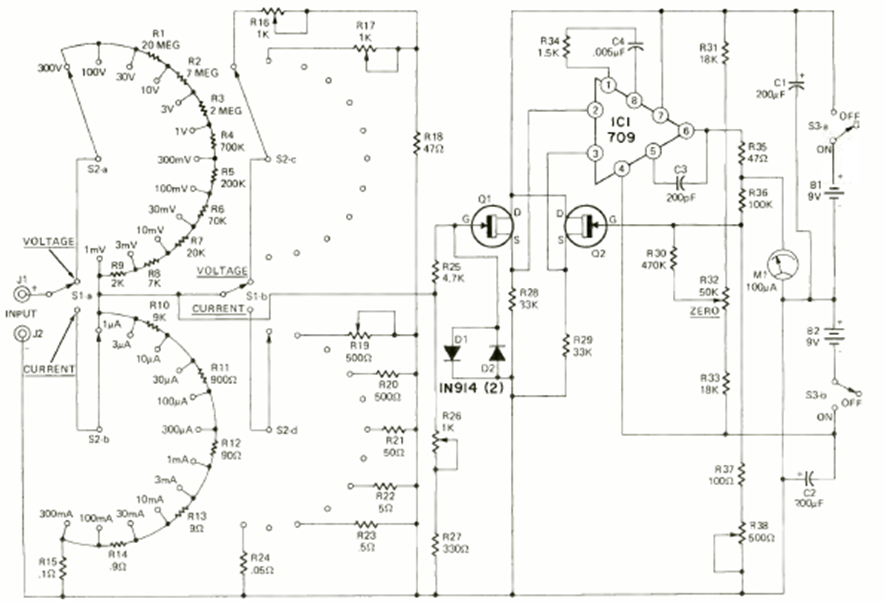
Este multímetro con FET y amplificador operacional 709 fue encontrado en la revista Radio Electronics de julio de 1972. El circuito utiliza dos baterías de 9 V en una fuente simétrica y el indicador es un microamperímetro de 100 uA.
La frecuencia máxima de este oscilador, en el caso de 100 kHz, depende del funcionamiento utilizado. La...
Este circuito utiliza un resonador cerámico de 455 kHz u otra frecuencia para fijar su frecuencia de...
El proyecto presentado es interesante, pues permite la determinación de la velocidad de reacción de...