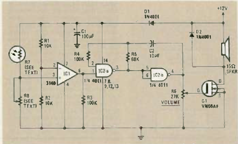
Utilizando el circuito integrado CA3140, este interruptor se encontró en la revista Radio Electronics de junio de 1986. El ajuste de sensibilidad se realiza en el trimpot en serie con el sensor.
La frecuencia máxima de este oscilador, en el caso de 100 kHz, depende del funcionamiento utilizado. La...
Este circuito utiliza un resonador cerámico de 455 kHz u otra frecuencia para fijar su frecuencia de...
El proyecto presentado es interesante, pues permite la determinación de la velocidad de reacción de...