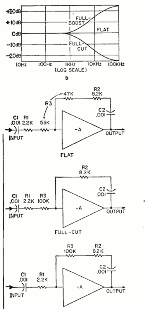
Estos tres circuitos tienen diferentes respuestas de agudos. Lo encontramos en la revista Radio Electronics de febrero de 1970. El circuito utiliza un CA3035 lanzado recientemente por RCA.

Estos tres circuitos tienen diferentes respuestas de agudos. Lo encontramos en la revista Radio Electronics de febrero de 1970. El circuito utiliza un CA3035 lanzado recientemente por RCA.
