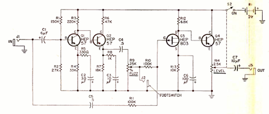
Este circuito de efectos de sonido es de una revista de Radio Electronics de diciembre de 1969. Los transistores aceptan equivalentes y la energía es suministrada por una batería para reducir la posibilidad de ruido.
La frecuencia máxima de este oscilador, en el caso de 100 kHz, depende del funcionamiento utilizado. La...
Este circuito utiliza un resonador cerámico de 455 kHz u otra frecuencia para fijar su frecuencia de...
El proyecto presentado es interesante, pues permite la determinación de la velocidad de reacción de...