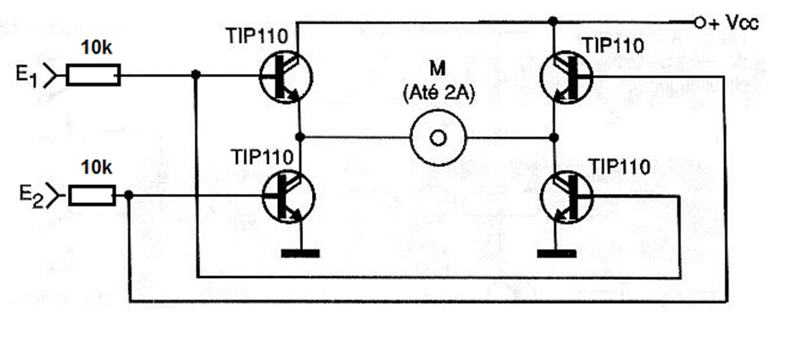
A continuación, se muestra un puente con mayor sensibilidad y, por tanto, menor consumo para las salidas del microcontrolador, haciendo uso de transistores Darlington. Este puente tiene 4 estados posibles, 00 para el motor parado, 01 y 10 para ambos sentidos de rotación y el estado prohibido 11 que lleva a todos los transistores a conducción y por tanto a una situación de cortocircuito. Los transistores deben estar equipados con disipadores de calor. La alimentación independiente para los motores puede oscilar entre 3 y 15 V.




