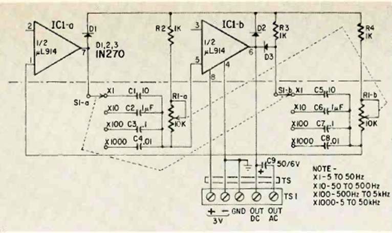
El generador de señales integrado apareció en la revista Radio Electronics en enero de 1968. Los circuitos integrados son de la época y el generador produce señales de 5 Hz a 50 kHz.
La frecuencia máxima de este oscilador, en el caso de 100 kHz, depende del funcionamiento utilizado. La...
Este circuito utiliza un resonador cerámico de 455 kHz u otra frecuencia para fijar su frecuencia de...
El proyecto presentado es interesante, pues permite la determinación de la velocidad de reacción de...