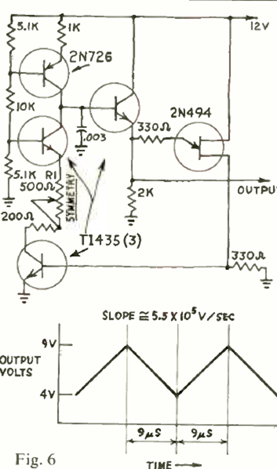
Este circuito genera una señal triangular cuya frecuencia está dada por los componentes básicos. El circuito es de Radio Electronics de mayo de 1967. El transistor unijuntura es un tipo de época.

Este circuito genera una señal triangular cuya frecuencia está dada por los componentes básicos. El circuito es de Radio Electronics de mayo de 1967. El transistor unijuntura es un tipo de época.
