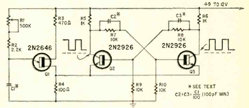
En este circuito, un transistor unijuntura controla un multivibrador que proporciona una señal rectangular con una frecuencia dada por el ajuste de P1 y C1. El circuito es de una Radio Electronics de julio de 1968.
Encontramos este circuito en una documentación francesa antigua. El transistor usado es poco común...
Este pequeño radio experimental, muy simple, capta bien las estaciones locales de la banda de...
Encontramos este circuito en una documentación de National Semconductor. Para la banda de ondas...