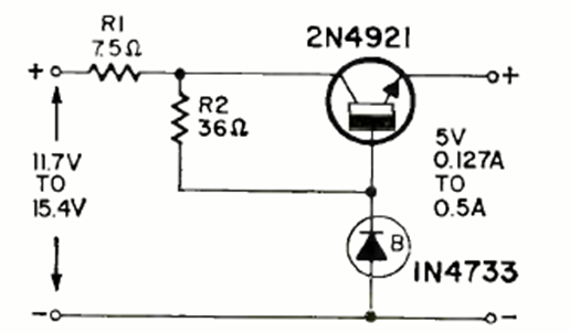
Hallado en un Radio Electronics de agosto de 1969, este circuito reduce una alta tensión para 15,4 y después a 5 V con un transistor de potencia que debe estar equipado con un radiador de calor.

Hallado en un Radio Electronics de agosto de 1969, este circuito reduce una alta tensión para 15,4 y después a 5 V con un transistor de potencia que debe estar equipado con un radiador de calor.
