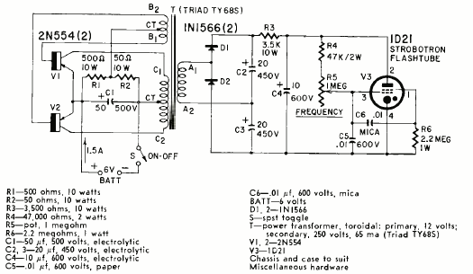
Este circuito estroboscopio con lámpara de alta tensión se encontró en la revista Radio Elecronics de julio de 1960. El circuito utiliza transistores de la época que deben estar equipados con disipadores de calor.

Este circuito estroboscopio con lámpara de alta tensión se encontró en la revista Radio Elecronics de julio de 1960. El circuito utiliza transistores de la época que deben estar equipados con disipadores de calor.
