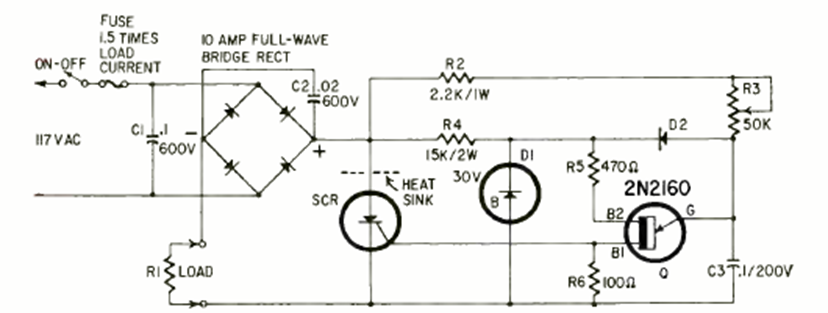
Este control de potencia con SCR se encontró en Radio Electronics desde abril de 1966. Los componentes son de la época, pero el circuito se puede implementar con equivalentes modernos. Los diodos deben tener corriente según la carga.
Este transmisor experimental para la banda de ondas medias tiene un alcance de algunos metros y la...
El circuito integrado utilizado en esta aplicación ya no es más común. El circuito es del Linear...
Este juego de tiro al blanco utiliza circuitos CMOS bien conocidos debiendo el jugador golpear el...