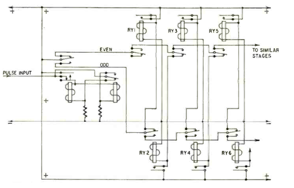
Este interesante contador digital con relés con salidas complementarias fue encontrado en la revista Radio Electrónica de Octubre de 1961. La tensión de alimentación es acorde a los relés utilizados.

Este interesante contador digital con relés con salidas complementarias fue encontrado en la revista Radio Electrónica de Octubre de 1961. La tensión de alimentación es acorde a los relés utilizados.
