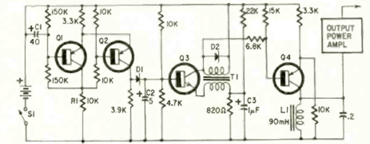
Esta sirena transistorizada se encontró en la sección de patentes de la revista Radio Electronics de marzo de 1968. El circuito utiliza componentes de la época y tiene una configuración muy elaborada.
El mezclador de dos canales presentado en la figura 1 consiste en la solución ideal para los casos...
Uno de los circuitos reguladores de tensión más tradicionales, bastante antiguos, pero aún en uso...
Este circuito, bastante simple por señal, sirve para la prueba de capacitores de todo tipo en el...