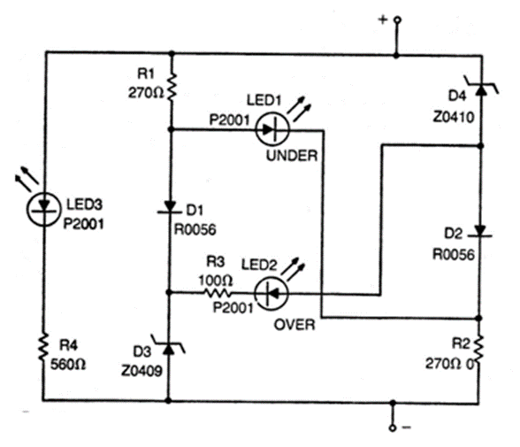
Este circuito proviene de documentación técnica antigua y se utiliza para controlar la tensión de una batería de 12 V. El circuito utiliza zeners de 6,8 V (D3) y 7,5 V (D4). De resto, los diodos son comunes y los LED son de distintos colores. El circuito indica que una batería con más de 3,6 V está cargada. El circuito se puede modificar para monitorear otros rangos de tensión.




