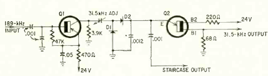
Encontramos este circuito generador de señales en forma de escalera en la revista Radio Electronics de agosto de 1966. El circuito utiliza un transistor unijuntura como base.
La fuente de alimentación de 5 V con capacidad de corriente de hasta 1,5 A, mostrada en la figura...
Esta es una broma inofensiva para quien le gusta dar golpes en los demás. Un capacitor cargado, seguro...
Este circuito se puede utilizar en el coche, para mantener la luz de cortesía encendida después de la...