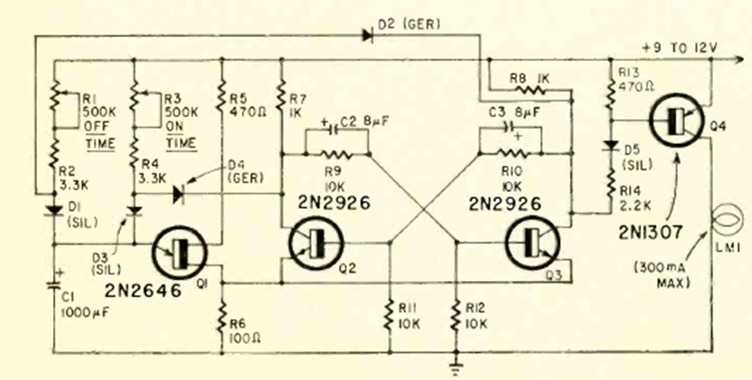
Este intermitente para lámparas incandescentes se encontró en la revista Radio Electronics de julio de 1968. La frecuencia y duración de los impulsos se ajustan en R1 y R3 dependiendo también de C1.
Esta alarma crea una "barrera luminosa" que al ser interrumpida provoca el disparo de una sirena,...
Con el circuito presentado en la figura 1 señales moduladas en frecuencias hasta 40 kHz pueden ser...
Es un circuito interesante para monitorear la alimentación de circuitos trifásicos. El circuito...