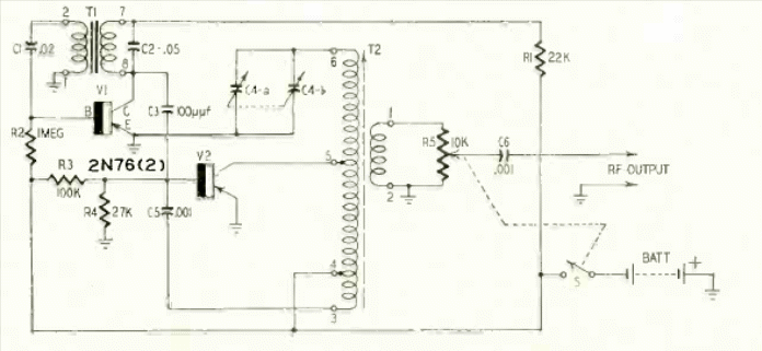
Este sencillo generador de señales con transistores fue publicado en la revista Radio Electronics en noviembre de 1957. El circuito genera señales determinadas por la bobina y la modulación por el transformador.
Este pequeño radio para la banda AM utiliza cuatro transistores con un amplificador complementario para...
Este relé de luz o sobre, según las posiciones del LDR y de P1 es extremadamente sensible, pues utiliza...
Este circuito se puede utilizar en el coche, para mantener la luz de cortesía encendida después de la...