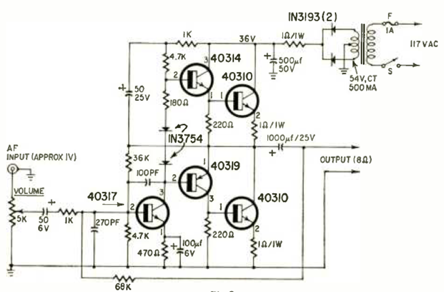
Este amplificador de transistores se publicó en la revista Radio Electronics en julio de 1965. Utilizaba transistores de silicio recién lanzados con excelente calidad de sonido.
Este pequeño radio para la banda AM utiliza cuatro transistores con un amplificador complementario para...
Este relé de luz o sobre, según las posiciones del LDR y de P1 es extremadamente sensible, pues utiliza...
Este circuito se puede utilizar en el coche, para mantener la luz de cortesía encendida después de la...