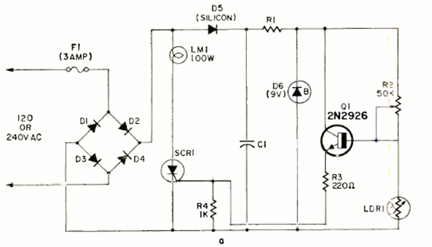
Este circuito apareció en la revista Radio Electronics en julio de 1969. El sensor es un LDR y el circuito es un control de onda completa. Los diodos deben estar de acuerdo con la potencia de la lámpara, así como con el SCR.
Los sonidos espaciales de tiros de pistolas de rayos láser o similares, que oímos en películas como...
Este proyecto permite emular un foto-tiristor, es decir, una foto SCR usando un fototransistor común...
) Si el primer montaje de muchos lectores es una radio, debe ser simple y, además, no requiere...